DC184直流接触器
48V
200A
企业介绍
项目合作
资料下载
产品介绍
Product introduction
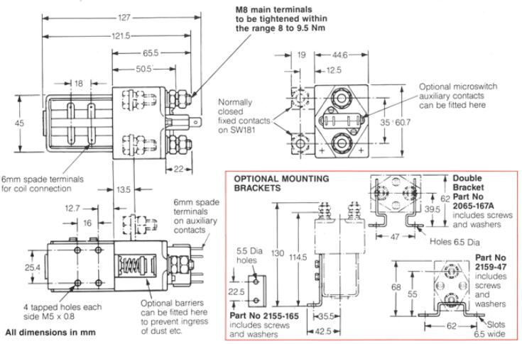
DC184具有双重断裂主触点和银合金触点尖端,这些触点具有耐焊接性,耐磨损性和导电性能优异。
DC184是一种整体结构,结构紧凑,与现代电子控制系统兼容。主要终端可以通过多种方式进行配置,以适应应用。
走进约瑟
公司简介
人才理念
服务中心
关注我们
联系我们
网站地图
服务热线
周一~周六 8:00-18:00
021-55560736
15821909792