RU280系列接触器

您的位置 : 网站首页 > 产品中心 > 主触头一常开直流接触器系列 > RU280系列接触器
RU280
RU280
  • RU280
型号:RU280系列接触器
  • 线圈额定电压(V)

    48V

  • 主触点额定电流(A)

    350A

联系电话:021-55560736
ZJ-50D直流接触器

产品介绍

Product introduction

产品用途
RU280系列适用于不频繁开关的应用。在这种应用中,尖端的退化是最小的,因此不需要更高的银量。

针对不间断电流应用而开发的RU280通常用于线路接触器或配电系统。

接触器具有双重断裂的主触点和银合金尖端,这些尖端是耐焊接的,耐磨损并且具有优异的导电性。它们易于安装,开关框架上带有M5螺纹孔以及一系列安装支架。垂直安装可以垂直或水平安装,M10接触螺栓应朝上。如果要求向下定位,我们可以调整接触器来弥补这一点。

技术数据
线路原理图
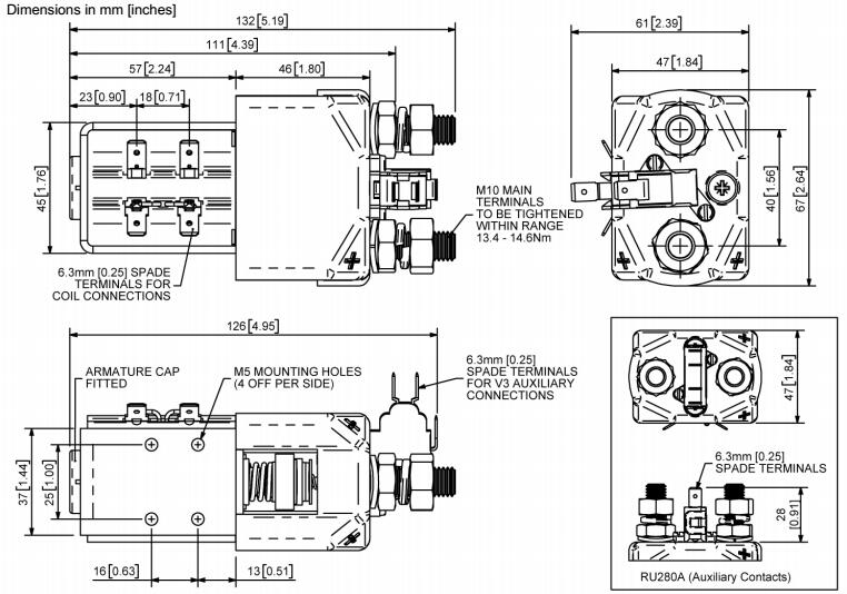
外形尺寸图
RU280系列适用于不频繁开关的应用。在这种应用中,尖端的退化是最小的,因此不需要更高的银量。
  • 邮  箱:cnhgq@foxmail.com 邮  编:201206
  • 厂  址:上海市曹路钦塘工业园钦塘东南1号 销售地址:上海浦东新区外高桥华申路150号2幢
  • © Copyright JOSEF Inc. All rights reserved.沪ICP备08020013号