SW185直流接触器
产品介绍
Product introduction
SW185专为直流负载而设计,包括用于电动车辆(如工业卡车)的电机。SW185专为中断和不间断负载而开发,适用于开关电阻,电容和电感负载。
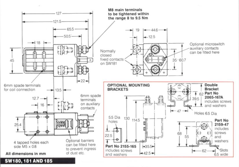
SW185采用单极,单掷,双断主触头,银合金尖端,耐焊接,耐磨,导电性能优良。SW185具有M8螺柱主端子和6.3mm铲形线圈连接。它可以通过M5螺纹孔或安装支架安装 - 可以提供安装,也可以作为单独的项目安装。安装时可以是水平或垂直,垂直时M8接触螺柱应朝上。如果要求是向下定向,我们可以调整接触器以补偿这一点。
请注意,常闭触点不适合制造和断开负载。




