ED125-16急停开关

您的位置 : 网站首页 > 产品中心 > 急停开关 > ED125-16急停开关
DE125-16
DE125-16
  • DE125-16
  • ED125-16
  • ED125-16
  • ED125-16
型号:ED125-16急停开关
  • 额定电压(V)

    48V

  • 额定电流(A)

    125A

  • 机械寿命

    10000000次

  • 电寿命

    100000次

联系电话:021-55560736
ZJ-50D直流接触器

产品介绍

Product introduction

产品用途
ED125-16急停开关适用于各种电动和其他电动装置配套使用,安全方便。
型号含义
简要技术数据
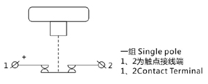
线路原路图
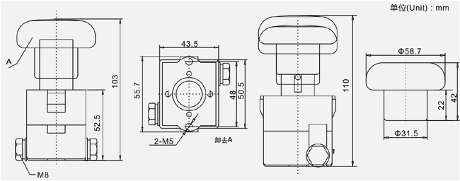
外形尺寸图
急停开关
  • 邮  箱:cnhgq@foxmail.com 邮  编:201206
  • 厂  址:上海市曹路钦塘工业园钦塘东南1号 销售地址:上海浦东新区外高桥华申路150号2幢
  • © Copyright JOSEF Inc. All rights reserved.沪ICP备08020013号