RU80系列接触器

您的位置 : 网站首页 > 产品中心 > 主触头一常开直流接触器系列 > RU80系列接触器
RU80
RU80
  • RU80
型号:RU80系列接触器
  • 线圈额定电压(V)

    48V

  • 主触点额定电流(A)

    200A

联系电话:021-55560736
ZJ-50D直流接触器

产品介绍

Product introduction

产品用途
RU80系列适用于不频繁开关的应用。在这种应用中,尖端的退化是最小的,因此不需要更高的银量。

在交换要求不间断的应用中,例如线路接触器或电信和配电系统,RU80是SU80的经济型替代产品。在这样的应用中,触点磨损很小,并且尖端中的银量可以选择性地减小。

RU80的特点是单极双断开主触点,银合金尖端,耐焊接,耐磨损,并具有优异的导电性。由于接触器的开关特性较低,维修需求很小,但备件可用。垂直安装可以垂直或水平安装,M8触点应该朝上。如果要求向下定位,我们可以调整接触器来弥补这一点。

技术数据
线路原理图
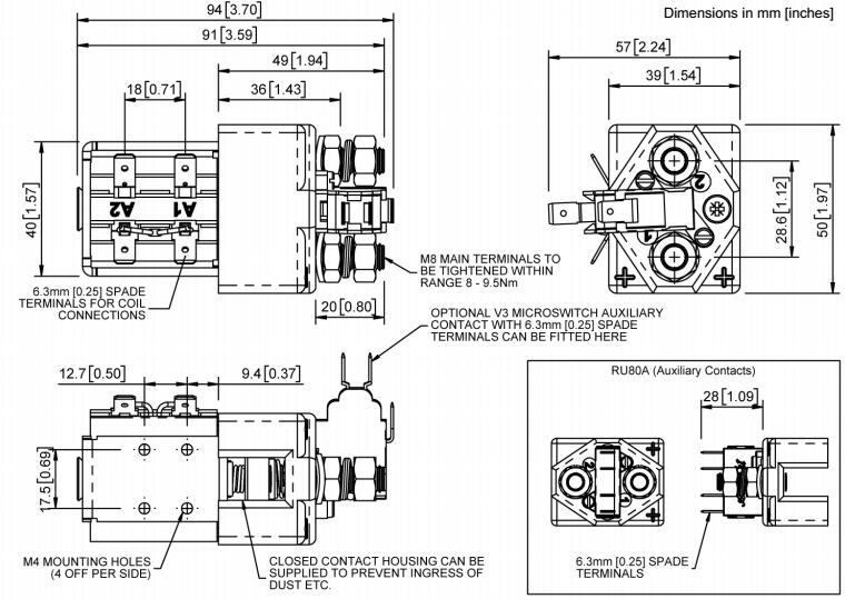
外形尺寸图
RU80系列适用于不频繁开关的应用。在这种应用中,尖端的退化是最小的,因此不需要更高的银量。

在交换要求不间断的应用中,例如线路接触器或电信和配电系统,RU80是SU80的经济型替代产品。在这样的应用中,触点磨损很小,并且尖端中的银量可以选择性地减小。

RU80的特点是单极双断开主触点,银合金尖端,耐焊接,耐磨损,并具有优异的导电性。由于接触器的开关特性较低,维修需求很小,但备件可用。垂直安装可以垂直或水平安装,M8触点应该朝上。如果要求向下定位,我们可以调整接触器来弥补这一点。
  • 邮  箱:cnhgq@foxmail.com 邮  编:201206
  • 厂  址:上海市曹路钦塘工业园钦塘东南1号 销售地址:上海浦东新区外高桥华申路150号2幢
  • © Copyright JOSEF Inc. All rights reserved.沪ICP备08020013号